Комплекты аппаратуры станционной связи типа КАСС
На участках электрифицированных железных дорог переменного тока применяются радиорелейные и кабельные уплотненные линии связи. При этом к устройствам станционной связи могут подходить как каналы уплотнения, так и физические цепи. Кроме того, аппаратура станционной связи должна быть универсальной, т. е. приспособленной не только для ее применения на участках железных дорог, электрифицированных на переменном токе, но и для других участков. Этим требованиям отвечают выпускаемые нашей промышленностью комплекты аппаратуры станционной связи (КАСС), которые в зависимости от числа включаемых в них линий бывают типов КАСС-6, КАСС-22 и КАСС-53.
Аппаратура типов КАСС-6 и КАСС-22 предназначена для организации всех видов связи ДСП на промежуточных и участковых железнодорожных станциях, где нет оператора. Аппаратура типа КАСС-53 предназначена для установки на крупных железнодорожных станциях, оборудованных электрической централизацией стрелок и сигналов, причем этой аппаратурой могут одновременно пользоваться дежурный по станции (посту, горке) и его оператор, каждый со своего рабочего места.
Аппаратура типа КАСС-6. Комплект аппаратуры станционной связи типа КАСС-6 устанавливается преимущественно на таких промежуточных железнодорожных станциях, которые находятся на участках, оборудованных диспетчерской централизацией, и на которых нет постоянного дежурства ДСП, а устройствами связи пользуется начальник станции (ДС), не находящийся круглосуточно в служебном помещении.
Аппаратура КАСС-6 рассчитана на включение следующих шести линий: поездной диспетчерской связи (ПДС), энергодиспетчерской связи (ЭДС), служебной связи электромехаников автоблокировки (СЭМ), постанционной связи (ПС) и двух линий перегонной связи (ПГС).
В комплект аппаратуры КАСС-6 входят релейно-вводный шкаф РВШ(рис. 137) и настольный пульт. Релейно-вводный шкаф представляет собой металлический корпус, имеющий с передней стороны открывающиеся дверцы, а с задней — съемные щитки.
В верхней части шкафа расположена поворотная рама 1 с платами, на которых установлены комплекты реле и другие детали схемы. В нижней части РВШ установлены кабельные боксы 2 и полоса 3 с приборами грозозащиты; еще ниже установлена плата 4 с фильтрами типа ФДП. За поворотной рамой находятся приемники избирательного вызова цепей избирательной связи — блоки селекторов или приемники тонального избирательного вызова (ПТИВ). Комплект КАСС-6 может дополняться: платой управления радиорелейными каналами, платой обходной цепи перегонной связи (ОПГС), платами блока вызова квартир (типов БВК1, БВК2 и БВК3), а также выносным телефонным аппаратом избирательной связи (типа ТПС-52).

Рис. 138. Функциональная схема аппаратуры КАСС-6
Настольный пульт, устанавливаемый на рабочем месте ДС, состоит из основания, съемного кожуха, откидной панели с ключами, кнопками и сигнальными лампами, платы с элементами переговорно-вызывного устройства и микротелефона.
Релейно-вводный шкаф рассчитан не только на ввод указанных выше шести линий, идущих на пульт, но и на ввод и коммутацию обходной цепи перегонной связи (ОПГС), дополнительной цепи линей-но-путевой связи, одной линии поездной радиосвязи (через шкаф ШРПС-62М), двух линий межстанционной связи (МЖС) и четырех линий стрелочной или оперативной связи с использованием дополнительного коммутатора УКСС-8. На рис. 138 приведена функциональная схема аппаратуры КАСС-6, из которой видно, что линии избирательной и межстанционной связи включены через изолирующие трансформаторы ИТр, а линии перегонной связи защищены фильтрами ФДП. Кроме того, все указанные линии защищены разрядниками РВ. Это позволяет устанавливать аппаратуру КАСС-6 на участках железных дорог переменного тока. Комплекты ПГС и физическую цепь ПГС при небольшой загрузке этой связи в случае необходимости можно использовать для межстанционной связи (МЖС), т. е. для переговоров ДСП двух соседних станций. При этом является возможным предоставлять временное подключение перегонных телефонных аппаратов типа ТН-62 к одной из цепей участковой избирательной связи (ПДС, ЭДС, СЭМ, ЛПС).
Комплекты ПГС в этом случае могут обслуживаться как ДСП вручную (переключением на пульте), так и телефонисткой междугородного коммутатора участковой станции полуавтоматически по цепи ОПГС (на участках с ДЦ) при автоматическом подключении к ней одной из цепей ПГС.
Обслуживание телефонисткой комплектов ПГС осуществляется следующим образом: телефонистка, получив вызов от абонента с перегона, опрашивает его и узнает, с какого перегона он вызывает и с кем он хочет соединиться. После этого она посылает избирательный вызов на станцию, ограничивающую перегон; затем после получения контроля вызова (зуммерного сигнала) производит набор цифры, соответствующей той линии участковой связи, которую просил абонент с перегона, чем и обеспечивается подключение этой линии к указанной станции.
При посылке избирательного вызова в РВШ аппаратуры КАСС-6 станции, через которую осуществляется подключение цепи ПГС данного перегона, срабатывает приемник избирательного вызова (ПТИВ или селектор) и подключает к ОПГС приемник тонального набора ПТНВ-60 (ПТИВ-62П) и импульсный соединитель (см. рис. 138). После набора телефонисткой соответствующей цифры (2 — ПДС, 3 — ЭДС, 4 — СЭМ, 5 — ЛПС) срабатывает реле схемы соединителя и подключает цепь ПГС к требуемой участковой цепи; после срабатывания соединителя его соответствующие реле фиксируются и абонент на перегоне может вести переговоры с диспетчером.
По окончании переговора абонент поворотом рычажка отключит аппарат ТН-62 на перегоне и вся схема уходит в отбой.
В схеме КАСС-6 имеется возможность подключения наружных телефонных аппаратов, устанавливаемых на станционных сигналах (на участках с ДЦ), к цепи ПДС с питанием их по системе ЦБ от батареи КАСС-6. В релейно-вводном шкафу КАСС-6 предусмотрена возможность установки плат указанных выше блоков вызова квартир обслуживающего персонала данной станции; последние служат для включения квартирных телефонных аппаратов системы ЦБ в цепи избирательной связи.
Блоки вызова квартир различаются: БВК1 — блок вызова квартиры начальника станции (ДС) по цепи ПДС; БВК2 — блок вызова квартиры и конторы ДС по цепи ПС; БВК3 — блок вызова квартир энергетика (по цепи ЭДС) и электромеханика (по цепи СЭМ). В соответствии с ПТЭ начальник станции не может вызвать со своего квартирного аппарата поездного диспетчера и прослушивать переговоры по цепи ПДС до вызова его диспетчером. В то же время схемой блока БВК2 предусматривается возможность посылки вызова с телефонного аппарата квартиры ДС на междугородный коммутатор участковой станции, телефонистка которого в свою очередь, посылая вызов по цепи ПС (при установке специальной платы), может соединиться с квартирой ДС; это позволяет организовать связь с квартирами ДС при замене поврежденной цепи ПДС цепью ПС.
Для получения избирательного вызова от распорядительных станций цепей ПДС, ЭДС и ПС в релейно-вводном шкафу устанавливаются приемники избирательного тонального вызова (для ПДС и ЭДС — ПТИВ-59Д, для ПС — ПТИВ-60П) или платы с селекторами (ПСВ).
Вызов распорядительных станций указанных связей осуществляется: ПДС и ЭДС — голосом; ПС—замыканием линейной цепи на дроссель при установке ПСВ и передачей тонального вызывного сигнала при установке ПТИВ.
Вызов абонентов стрелочной и оперативной связи, а также посылка сигнала вызова по цепям МЖС (при наличии дополнительного коммутатора УКСС-8) осуществляется от вызывного устройства, током частотой 50 или 75 гц (на участках с электротягой); вызов по цепям ПГС — током частотой 250 гц.
Переговоры с пульта ДС могут осуществляться как при помощи микротелефона МТ с тангентой, так и через выносное громкоговорящее устройство, состоящее из усилителя передачи и приема, микрофона М и громкоговорителя Гр (см. рис. 138), и педали для управления им. Схема включения микротелефона комбинированная: при постоянно нажатой тангенте — дуплексная, а при попеременном нажатии—симплексная с высокоомным входным сопротивлением при приеме. На пульте предусмотрена возможность использования выносного телефонного аппарата типа ТПС-52 для ДСП (ТПС-52 может быть подключен к одной из цепей избирательной связи — ПДС, ЭДС и ПС — в случае неисправности переговорного устройства пульта или в качестве второго микротелефона, когда ДС необходимо сразу ответить по двум линиям), а также и для переговора других работников по цепи ПС, не мешая ДС.
Питание комплекта аппаратуры КАСС-6 осуществляется от источников постоянного тока 24 в ± 10%.
Аппаратура типа КАСС-22. Комплект аппаратуры станционной связи типа КАСС-22 устанавливается на промежуточных и участковых станциях с постоянным дежурством ДСП. Аппаратура КАСС-22 позволяет включать 22 линии: четыре линии МБ — ЦБ (межстанционная связь или соединительные линии), шесть линий избирательной связи, две линии перегонной связи, 10 линий стрелочной или прямой оперативной связи. В комплект аппаратуры КАСС-22 входят: релейно-вводный шкаф и два настольных пульта — пульт ДСП и пульт резервной связи. По отдельному заказу аппаратура КАСС-22 может быть дополнена пультом оператора, платой управления каналами радиорелейной связи и платой для обходной цепи перегонной связи (ОПГС).
На рис. 139 показана функциональная схема аппаратуры КАСС-22, из которой видно, что к релейно-вводному шкафу может быть подключен шкаф ШРПС-62М радиорелейной связи, а к пультам ДСП и оператора громкоговорящая установка (усилитель, педаль, динамические громкоговоритель и микрофон). Таким образом, ДСП и оператор могут пользоваться при переговорах или микротелефоном, или громкоговорящей установкой.
В аппаратуре КАСС-22 комплекты МБ — ЦБ (МЖС и соединительных линий), избирательной и перегонной связи являются индивидуальными, а стрелочной и оперативной связи — групповыми. Каждая из соединительных линий КАСС-22 с другими коммутаторами может осуществляться при помощи одного из двух комплектов: активного или пассивного (см. § 55). Каждый из комплектов МБ — ЦБ, избирательной и перегонной связи, а также группы комплектов стрелочной и оперативной связи взаимно увязаны блокировкой подключения, не позволяющей соединение комплектов между собой на общих переговорных шинах. Переговоры с абонентами стрелочной связи могут осуществляться только с пульта ДСП, а переговоры с абонентами оперативной связи как с пульта ДСП, так и с пульта оператора (см. рис. 139). Для группы абонентов оперативной связи предусмотрена возможность ведения переговоров между собой после вызова, осуществляемого ДСП или оператором.
Получение вызова для всех видов связи сигнализируется миганием ламп и звонками на пультах; подключение к данной линии сигнализируется ярким горением лампы, а занятость ее переговором ДСП — слабым горением лампы на пульте оператора.
В остальном общая характеристика аппаратуры КАСС-22 аналогична приведенной выше характеристике аппаратуры КАСС-6, с той лишь разницей, что в релейно-вводном шкафу КАСС-22 не предусматривается установка плат с блоками вызова квартир.

Аппаратура типа КАСС-53. Комплект аппаратуры станционной связи типа КАСС-53 устанавливается на больших железнодорожных станциях, оборудованных электрической централизацией стрелок и сигналов и предназначен для организации всех видов связи ДСП.
Аппаратура КАСС-53 позволяет включать 53 линии: 10 линий избирательной связи, четыре линии перегонной связи, 30 линий стрелочной или прямой оперативной связи, четыре линии местной связи (через АТС или через РТС) и пять линий связи обслуживания электроприводов электрической сигнализации.
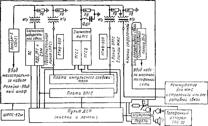
В комплект аппаратуры КАСС-53 входят вводная стойка (рис. 140, а), релейная стойка (рис. 140, б), пульт дежурного (рис. 140, в) и пульт оператора.

Примерная блок-схема аппаратуры КАСС-53 изображена на рис. 141. Линии участковой связи подводятся к междугородному боксу, расположенному на вводной стойке; пройдя плату защиты, на которой установлены предохранители, разрядники и испытательные гнезда ИГн, они попадают на универсальные комплекты избирательной связи. На платах этих комплектов перемычки установлены таким образом, что в комплекты 1 и 10 могут быть включены цепи межстанционной связи по системе МБ, в комплекты 2 и 9 — соединительные линии, в комплекты 3 и 8 — цепи постанционной связи, а в комплекты 4, 5, 6, 7 — диспетчерской связи. Назначение универсальных комплектов можно изменить путем установки перемычек на коммутационных гребенках. В линии, идущей к комплектам 4,5, 6 и 7, на вводной стойке подключены селекторы Сел, предназначенные для приема избирательного вызова (или ПТИВ при тональной системе), а к линиям, включенным в комплекты 3 и 8, кроме того, включены и устройства для посылки вызова на распорядительную станцию постанционной связи.
Абонентские комплекты перегонной связи, также как и в аппаратуре КАСС-22, можно использовать для межстанционной связи, а линии перегонной связи временно подключить к цепям поездной диспетчерской, энергодиспетчерской и служебной связи электромехаников, причем в каждый данный момент подключение возможно только к какой-либо одной из этих цепей, что достигается особым включением контактов реле РПА, РПБ и РПП.
Линии стрелочной, оперативной и местной связи, а также связи обслуживания электроприводов подводят к молниеотводным полосам емкостью 30 х 2 линий. Для включения этих линий в схеме вводной стойки делают кроссировки между молниеотводными полосами и испытательными гнездами.
Абонентские комплекты стрелочной и прямой оперативной связи смонтированы по такой же схеме, как и в коммутаторе КСС-20/30 (см. рис. 134). Комплекты, предназначенные для включения линий стрелочной и оперативной связи, могут быть использованы в любых соотношениях, но только для этих видов связи. При этом абонентские комплекты стрелочной связи подключают к разговорным шинам шрс (см. рис. 141), а прямой оперативной связи к шинам шрп.
Входные сопротивления абонентских комплектов аппаратуры согласованы с волновым сопротивлением линии. В абонентских комплектах избирательной связи для этого применены трансформаторы, имеющие в положении приема речи входное сопротивление 6—7 ком. В результате этого абонентские комплекты при циркулярном разговоре не вносят заметного затухания. Абонентам оперативной связи предоставляются такие же возможности, как и в аппаратуре типа КАСС-22.
В один из комплектов связи обслуживания электроприводов включается телефонный аппарат системы ЦБ, установленный у электромеханика, а в остальные комплекты — линии, идущие от розеток, смонтированных у электроприводов, в которые временно включают телефонные аппараты ЦБ.
Электропитание аппаратуры осуществляется от источника постоянного тока 24 в, причем его положительный полюс может быть заземлен. Основным источником вызывного тока является сеть переменного тока 127/220 в, резервным — бесконтактный преобразователь, работающий от источника постоянного тока 24 в.
Аппаратура КАСС-53 работает следующим образом. При поступлении вызова от какого-либо абонента на пульте дежурного загорается соответствующая вызывная лампа. Отвечая на вызов, дежурный должен нажать кнопку подключения дежурного КПД данной линии; при этом сработает реле подключения дежурного РПД и абонентский комплект подключится к разговорным шинам дежурного шрд. В это же время оператор, нажав кнопку подключения оператора КПО на своем пульте, может подключить другой абонентский комплект к разговорным шинам оператора шро. Это осуществляется при помощи реле подключения оператора РПО. К шинам шрд постоянно подключены переговорные приборы дежурного, размещенные в секции связи или в пульте, причем так же, как и в аппаратуре КАСС-22, при переговорах можно пользоваться микротелефонной трубкой МТ или громкоговорящим устройством ГУ. На шины шро включено переговорное устройство оператора. Пульт оператора не имеет усилителей, но к нему можно подключить отдельный усилитель Ус.
К линиям местной связи переговорное устройство дежурного подключено через удерживающий трансформатор УТр, контакты реле местной связи РМ и реле подключения местной связи РИМ.
Исходящий усилитель Исх. Ус громкоговорящего устройства используется также при передаче объявлений по громкоговорящей сети оповещения и при разговоре по радиосвязи; к сети оповещения этот усилитель подключается контактами реле РПГ.
Занятость линий в аппаратуре КАСС-53 сигнализируется лампами. Если линия занята оператором, то дежурный может ее переключить на свой пульт; оператор такой возможности не имеет. Переговорное устройство дежурного при помощи реле РСДО можно подключить к шинам шро.
Вызов абонентов межстанционной, стрелочной и оперативной связи осуществляется с помощью вызывного устройства. При посылке вызова соответствующая линия контактами рв вызывного реле РВ подключается к шинам вызова шв, причем вызывной переменный ток направляется в эту линию. Вызов можно послать как длительным нажатием вызывной кнопки на пульте, так и по автоматической схеме; в последнем случае кратковременное нажатие вызывной кнопки на пульте обеспечивает посылку вызова до тех пор, пока вызываемый абонент не ответит на вызов или пока не будет нажата на пульте кнопка прекращения вызова. Аппаратура КАСС-53 так же, как и коммутатор КСС-20/30, допускает посылку маршрутного вызова.
Аппаратура типов КАСС-6 и КАСС-22 предназначена для организации всех видов связи ДСП на промежуточных и участковых железнодорожных станциях, где нет оператора. Аппаратура типа КАСС-53 предназначена для установки на крупных железнодорожных станциях, оборудованных электрической централизацией стрелок и сигналов, причем этой аппаратурой могут одновременно пользоваться дежурный по станции (посту, горке) и его оператор, каждый со своего рабочего места.
Аппаратура типа КАСС-6. Комплект аппаратуры станционной связи типа КАСС-6 устанавливается преимущественно на таких промежуточных железнодорожных станциях, которые находятся на участках, оборудованных диспетчерской централизацией, и на которых нет постоянного дежурства ДСП, а устройствами связи пользуется начальник станции (ДС), не находящийся круглосуточно в служебном помещении.
Аппаратура КАСС-6 рассчитана на включение следующих шести линий: поездной диспетчерской связи (ПДС), энергодиспетчерской связи (ЭДС), служебной связи электромехаников автоблокировки (СЭМ), постанционной связи (ПС) и двух линий перегонной связи (ПГС).
В комплект аппаратуры КАСС-6 входят релейно-вводный шкаф РВШ(рис. 137) и настольный пульт. Релейно-вводный шкаф представляет собой металлический корпус, имеющий с передней стороны открывающиеся дверцы, а с задней — съемные щитки.
В верхней части шкафа расположена поворотная рама 1 с платами, на которых установлены комплекты реле и другие детали схемы. В нижней части РВШ установлены кабельные боксы 2 и полоса 3 с приборами грозозащиты; еще ниже установлена плата 4 с фильтрами типа ФДП. За поворотной рамой находятся приемники избирательного вызова цепей избирательной связи — блоки селекторов или приемники тонального избирательного вызова (ПТИВ). Комплект КАСС-6 может дополняться: платой управления радиорелейными каналами, платой обходной цепи перегонной связи (ОПГС), платами блока вызова квартир (типов БВК1, БВК2 и БВК3), а также выносным телефонным аппаратом избирательной связи (типа ТПС-52).

Рис. 138. Функциональная схема аппаратуры КАСС-6
Настольный пульт, устанавливаемый на рабочем месте ДС, состоит из основания, съемного кожуха, откидной панели с ключами, кнопками и сигнальными лампами, платы с элементами переговорно-вызывного устройства и микротелефона.
Релейно-вводный шкаф рассчитан не только на ввод указанных выше шести линий, идущих на пульт, но и на ввод и коммутацию обходной цепи перегонной связи (ОПГС), дополнительной цепи линей-но-путевой связи, одной линии поездной радиосвязи (через шкаф ШРПС-62М), двух линий межстанционной связи (МЖС) и четырех линий стрелочной или оперативной связи с использованием дополнительного коммутатора УКСС-8. На рис. 138 приведена функциональная схема аппаратуры КАСС-6, из которой видно, что линии избирательной и межстанционной связи включены через изолирующие трансформаторы ИТр, а линии перегонной связи защищены фильтрами ФДП. Кроме того, все указанные линии защищены разрядниками РВ. Это позволяет устанавливать аппаратуру КАСС-6 на участках железных дорог переменного тока. Комплекты ПГС и физическую цепь ПГС при небольшой загрузке этой связи в случае необходимости можно использовать для межстанционной связи (МЖС), т. е. для переговоров ДСП двух соседних станций. При этом является возможным предоставлять временное подключение перегонных телефонных аппаратов типа ТН-62 к одной из цепей участковой избирательной связи (ПДС, ЭДС, СЭМ, ЛПС).
Комплекты ПГС в этом случае могут обслуживаться как ДСП вручную (переключением на пульте), так и телефонисткой междугородного коммутатора участковой станции полуавтоматически по цепи ОПГС (на участках с ДЦ) при автоматическом подключении к ней одной из цепей ПГС.
Обслуживание телефонисткой комплектов ПГС осуществляется следующим образом: телефонистка, получив вызов от абонента с перегона, опрашивает его и узнает, с какого перегона он вызывает и с кем он хочет соединиться. После этого она посылает избирательный вызов на станцию, ограничивающую перегон; затем после получения контроля вызова (зуммерного сигнала) производит набор цифры, соответствующей той линии участковой связи, которую просил абонент с перегона, чем и обеспечивается подключение этой линии к указанной станции.
При посылке избирательного вызова в РВШ аппаратуры КАСС-6 станции, через которую осуществляется подключение цепи ПГС данного перегона, срабатывает приемник избирательного вызова (ПТИВ или селектор) и подключает к ОПГС приемник тонального набора ПТНВ-60 (ПТИВ-62П) и импульсный соединитель (см. рис. 138). После набора телефонисткой соответствующей цифры (2 — ПДС, 3 — ЭДС, 4 — СЭМ, 5 — ЛПС) срабатывает реле схемы соединителя и подключает цепь ПГС к требуемой участковой цепи; после срабатывания соединителя его соответствующие реле фиксируются и абонент на перегоне может вести переговоры с диспетчером.
По окончании переговора абонент поворотом рычажка отключит аппарат ТН-62 на перегоне и вся схема уходит в отбой.
В схеме КАСС-6 имеется возможность подключения наружных телефонных аппаратов, устанавливаемых на станционных сигналах (на участках с ДЦ), к цепи ПДС с питанием их по системе ЦБ от батареи КАСС-6. В релейно-вводном шкафу КАСС-6 предусмотрена возможность установки плат указанных выше блоков вызова квартир обслуживающего персонала данной станции; последние служат для включения квартирных телефонных аппаратов системы ЦБ в цепи избирательной связи.
Блоки вызова квартир различаются: БВК1 — блок вызова квартиры начальника станции (ДС) по цепи ПДС; БВК2 — блок вызова квартиры и конторы ДС по цепи ПС; БВК3 — блок вызова квартир энергетика (по цепи ЭДС) и электромеханика (по цепи СЭМ). В соответствии с ПТЭ начальник станции не может вызвать со своего квартирного аппарата поездного диспетчера и прослушивать переговоры по цепи ПДС до вызова его диспетчером. В то же время схемой блока БВК2 предусматривается возможность посылки вызова с телефонного аппарата квартиры ДС на междугородный коммутатор участковой станции, телефонистка которого в свою очередь, посылая вызов по цепи ПС (при установке специальной платы), может соединиться с квартирой ДС; это позволяет организовать связь с квартирами ДС при замене поврежденной цепи ПДС цепью ПС.
Для получения избирательного вызова от распорядительных станций цепей ПДС, ЭДС и ПС в релейно-вводном шкафу устанавливаются приемники избирательного тонального вызова (для ПДС и ЭДС — ПТИВ-59Д, для ПС — ПТИВ-60П) или платы с селекторами (ПСВ).
Вызов распорядительных станций указанных связей осуществляется: ПДС и ЭДС — голосом; ПС—замыканием линейной цепи на дроссель при установке ПСВ и передачей тонального вызывного сигнала при установке ПТИВ.
Вызов абонентов стрелочной и оперативной связи, а также посылка сигнала вызова по цепям МЖС (при наличии дополнительного коммутатора УКСС-8) осуществляется от вызывного устройства, током частотой 50 или 75 гц (на участках с электротягой); вызов по цепям ПГС — током частотой 250 гц.
Переговоры с пульта ДС могут осуществляться как при помощи микротелефона МТ с тангентой, так и через выносное громкоговорящее устройство, состоящее из усилителя передачи и приема, микрофона М и громкоговорителя Гр (см. рис. 138), и педали для управления им. Схема включения микротелефона комбинированная: при постоянно нажатой тангенте — дуплексная, а при попеременном нажатии—симплексная с высокоомным входным сопротивлением при приеме. На пульте предусмотрена возможность использования выносного телефонного аппарата типа ТПС-52 для ДСП (ТПС-52 может быть подключен к одной из цепей избирательной связи — ПДС, ЭДС и ПС — в случае неисправности переговорного устройства пульта или в качестве второго микротелефона, когда ДС необходимо сразу ответить по двум линиям), а также и для переговора других работников по цепи ПС, не мешая ДС.
Питание комплекта аппаратуры КАСС-6 осуществляется от источников постоянного тока 24 в ± 10%.
Аппаратура типа КАСС-22. Комплект аппаратуры станционной связи типа КАСС-22 устанавливается на промежуточных и участковых станциях с постоянным дежурством ДСП. Аппаратура КАСС-22 позволяет включать 22 линии: четыре линии МБ — ЦБ (межстанционная связь или соединительные линии), шесть линий избирательной связи, две линии перегонной связи, 10 линий стрелочной или прямой оперативной связи. В комплект аппаратуры КАСС-22 входят: релейно-вводный шкаф и два настольных пульта — пульт ДСП и пульт резервной связи. По отдельному заказу аппаратура КАСС-22 может быть дополнена пультом оператора, платой управления каналами радиорелейной связи и платой для обходной цепи перегонной связи (ОПГС).
На рис. 139 показана функциональная схема аппаратуры КАСС-22, из которой видно, что к релейно-вводному шкафу может быть подключен шкаф ШРПС-62М радиорелейной связи, а к пультам ДСП и оператора громкоговорящая установка (усилитель, педаль, динамические громкоговоритель и микрофон). Таким образом, ДСП и оператор могут пользоваться при переговорах или микротелефоном, или громкоговорящей установкой.
В аппаратуре КАСС-22 комплекты МБ — ЦБ (МЖС и соединительных линий), избирательной и перегонной связи являются индивидуальными, а стрелочной и оперативной связи — групповыми. Каждая из соединительных линий КАСС-22 с другими коммутаторами может осуществляться при помощи одного из двух комплектов: активного или пассивного (см. § 55). Каждый из комплектов МБ — ЦБ, избирательной и перегонной связи, а также группы комплектов стрелочной и оперативной связи взаимно увязаны блокировкой подключения, не позволяющей соединение комплектов между собой на общих переговорных шинах. Переговоры с абонентами стрелочной связи могут осуществляться только с пульта ДСП, а переговоры с абонентами оперативной связи как с пульта ДСП, так и с пульта оператора (см. рис. 139). Для группы абонентов оперативной связи предусмотрена возможность ведения переговоров между собой после вызова, осуществляемого ДСП или оператором.
Получение вызова для всех видов связи сигнализируется миганием ламп и звонками на пультах; подключение к данной линии сигнализируется ярким горением лампы, а занятость ее переговором ДСП — слабым горением лампы на пульте оператора.
В остальном общая характеристика аппаратуры КАСС-22 аналогична приведенной выше характеристике аппаратуры КАСС-6, с той лишь разницей, что в релейно-вводном шкафу КАСС-22 не предусматривается установка плат с блоками вызова квартир.

Аппаратура типа КАСС-53. Комплект аппаратуры станционной связи типа КАСС-53 устанавливается на больших железнодорожных станциях, оборудованных электрической централизацией стрелок и сигналов и предназначен для организации всех видов связи ДСП.
Аппаратура КАСС-53 позволяет включать 53 линии: 10 линий избирательной связи, четыре линии перегонной связи, 30 линий стрелочной или прямой оперативной связи, четыре линии местной связи (через АТС или через РТС) и пять линий связи обслуживания электроприводов электрической сигнализации.
В комплект аппаратуры КАСС-53 входят вводная стойка (рис. 140, а), релейная стойка (рис. 140, б), пульт дежурного (рис. 140, в) и пульт оператора.

Примерная блок-схема аппаратуры КАСС-53 изображена на рис. 141. Линии участковой связи подводятся к междугородному боксу, расположенному на вводной стойке; пройдя плату защиты, на которой установлены предохранители, разрядники и испытательные гнезда ИГн, они попадают на универсальные комплекты избирательной связи. На платах этих комплектов перемычки установлены таким образом, что в комплекты 1 и 10 могут быть включены цепи межстанционной связи по системе МБ, в комплекты 2 и 9 — соединительные линии, в комплекты 3 и 8 — цепи постанционной связи, а в комплекты 4, 5, 6, 7 — диспетчерской связи. Назначение универсальных комплектов можно изменить путем установки перемычек на коммутационных гребенках. В линии, идущей к комплектам 4,5, 6 и 7, на вводной стойке подключены селекторы Сел, предназначенные для приема избирательного вызова (или ПТИВ при тональной системе), а к линиям, включенным в комплекты 3 и 8, кроме того, включены и устройства для посылки вызова на распорядительную станцию постанционной связи.
Абонентские комплекты перегонной связи, также как и в аппаратуре КАСС-22, можно использовать для межстанционной связи, а линии перегонной связи временно подключить к цепям поездной диспетчерской, энергодиспетчерской и служебной связи электромехаников, причем в каждый данный момент подключение возможно только к какой-либо одной из этих цепей, что достигается особым включением контактов реле РПА, РПБ и РПП.
Линии стрелочной, оперативной и местной связи, а также связи обслуживания электроприводов подводят к молниеотводным полосам емкостью 30 х 2 линий. Для включения этих линий в схеме вводной стойки делают кроссировки между молниеотводными полосами и испытательными гнездами.
Абонентские комплекты стрелочной и прямой оперативной связи смонтированы по такой же схеме, как и в коммутаторе КСС-20/30 (см. рис. 134). Комплекты, предназначенные для включения линий стрелочной и оперативной связи, могут быть использованы в любых соотношениях, но только для этих видов связи. При этом абонентские комплекты стрелочной связи подключают к разговорным шинам шрс (см. рис. 141), а прямой оперативной связи к шинам шрп.
Входные сопротивления абонентских комплектов аппаратуры согласованы с волновым сопротивлением линии. В абонентских комплектах избирательной связи для этого применены трансформаторы, имеющие в положении приема речи входное сопротивление 6—7 ком. В результате этого абонентские комплекты при циркулярном разговоре не вносят заметного затухания. Абонентам оперативной связи предоставляются такие же возможности, как и в аппаратуре типа КАСС-22.
В один из комплектов связи обслуживания электроприводов включается телефонный аппарат системы ЦБ, установленный у электромеханика, а в остальные комплекты — линии, идущие от розеток, смонтированных у электроприводов, в которые временно включают телефонные аппараты ЦБ.
Электропитание аппаратуры осуществляется от источника постоянного тока 24 в, причем его положительный полюс может быть заземлен. Основным источником вызывного тока является сеть переменного тока 127/220 в, резервным — бесконтактный преобразователь, работающий от источника постоянного тока 24 в.
Аппаратура КАСС-53 работает следующим образом. При поступлении вызова от какого-либо абонента на пульте дежурного загорается соответствующая вызывная лампа. Отвечая на вызов, дежурный должен нажать кнопку подключения дежурного КПД данной линии; при этом сработает реле подключения дежурного РПД и абонентский комплект подключится к разговорным шинам дежурного шрд. В это же время оператор, нажав кнопку подключения оператора КПО на своем пульте, может подключить другой абонентский комплект к разговорным шинам оператора шро. Это осуществляется при помощи реле подключения оператора РПО. К шинам шрд постоянно подключены переговорные приборы дежурного, размещенные в секции связи или в пульте, причем так же, как и в аппаратуре КАСС-22, при переговорах можно пользоваться микротелефонной трубкой МТ или громкоговорящим устройством ГУ. На шины шро включено переговорное устройство оператора. Пульт оператора не имеет усилителей, но к нему можно подключить отдельный усилитель Ус.
К линиям местной связи переговорное устройство дежурного подключено через удерживающий трансформатор УТр, контакты реле местной связи РМ и реле подключения местной связи РИМ.
Исходящий усилитель Исх. Ус громкоговорящего устройства используется также при передаче объявлений по громкоговорящей сети оповещения и при разговоре по радиосвязи; к сети оповещения этот усилитель подключается контактами реле РПГ.
Занятость линий в аппаратуре КАСС-53 сигнализируется лампами. Если линия занята оператором, то дежурный может ее переключить на свой пульт; оператор такой возможности не имеет. Переговорное устройство дежурного при помощи реле РСДО можно подключить к шинам шро.
Вызов абонентов межстанционной, стрелочной и оперативной связи осуществляется с помощью вызывного устройства. При посылке вызова соответствующая линия контактами рв вызывного реле РВ подключается к шинам вызова шв, причем вызывной переменный ток направляется в эту линию. Вызов можно послать как длительным нажатием вызывной кнопки на пульте, так и по автоматической схеме; в последнем случае кратковременное нажатие вызывной кнопки на пульте обеспечивает посылку вызова до тех пор, пока вызываемый абонент не ответит на вызов или пока не будет нажата на пульте кнопка прекращения вызова. Аппаратура КАСС-53 так же, как и коммутатор КСС-20/30, допускает посылку маршрутного вызова.